Características del producto :
Opciones :
Los cilindros KESO 8000 Omega se encuentran entre los más seguros del mundo. Los productos cumplen las estrictas normas VdS y están certificados según la norma EN 1303. Están protegidos contra la rotura, la extracción y la perforación. Los cilindros son seguros contra la manipulación y no es posible la duplicación de llaves sin un certificado de seguridad. ¡Disfruta de la libertad de estar seguro!p>

Sistema KESO 8000 Omega
La tecnología Omega cuenta con clavijas interactivas en la llave vertical. La llave KESO Omega tiene un mecanismo integrado de pasador/muelle que debe ser accionado durante la función de apertura/cierre en el cilindro de cierre. Esta mecánica de la clave aumenta significativamente la seguridad de las copias.
KESO 8000 Tecnología innovadora Omega y precisión suiza
Protección anticopia activa
Cada llave tiene un elemento móvil que es interrogado por una construcción especial en el cilindro. Esta protección activa garantiza que sólo las llaves KESO pueden abrir los cilindros KESO.
Nuevo sistema modular
El nuevo diseño del cilindro se basa en un kit de construcción modular con sistema de inserción. Esto significa que los cilindros se pueden adaptar de forma flexible e individual, garantizando un corto plazo de entrega e instalación.
Duración de la patente hasta 2034
Gracias a la duración de la patente hasta 2034 y a la protección del diseño funcional, el sistema KESO ofrece una protección de la inversión muy larga.
Las nuevas llaves reversibles de KESO | ||||
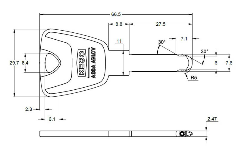
| para ver las dimensiones técnicas, haga clic en la tecla correspondiente. | ||||
| Llave redonda | Llave trapezoidal | Llave larga | Llave extra larga | |
La llave redonda es la clásica entre las formas de llave, se ofrece en todos los sistemas de cierre KESO. La llave es de alpaca resistente a la rotura y a la corrosión.
La llave trapezoidal es el epítome de la llave KESO por su inconfundible forma. Gracias a su exclusivo reid, la llave trapezoidal ofrece una mayor facilidad de uso. El nuevo diseño del rebaje en la cabeza de la llave aumenta notablemente la sensación de valor de la nueva llave. Se adapta cómodamente a la mano y el manejo del cilindro es fácil. Equipado con nuestras exclusivas tapas de colores, la identificación en el llavero es aún más fácil. La llave es de alpaca resistente a la rotura y a la corrosión.
Debido a su diseño, la llave larga es ideal para su uso cuando se utilizan juegos de protección con discos protectores. Gracias a su diseño exclusivo, la llave larga ofrece una mayor facilidad de uso. El nuevo diseño del rebaje en la cabeza de la llave aumenta notablemente la sensación de valor de la nueva llave. Se adapta cómodamente a la mano y el manejo del cilindro es fácil. La llave es de alpaca irrompible y resistente a la corrosión.
Llave extralarga con vástago de llave de 15 mm Gracias a su exclusivo estriado, la llave extralarga ofrece una mayor facilidad de uso. El nuevo diseño del rebaje en la cabeza de la llave aumenta notablemente la sensación de valor de la nueva llave. Se adapta cómodamente a la mano y el manejo del cilindro es fácil.
La llave es de alpaca irrompible y resistente a la corrosión.
Todos los cilindros de cierre se envian con una tarjeta de seguridad. Esto da derecho a dejar de hacer duplicados de las llaves. Duplicado de llaves puede usted ordenar con nosotros, o en cualquier tienda autorizada. Tenga en cuenta que las llaves duplicadas - según el fabricante - puede costar en comparación con del primer pedido mucho mas.
Nuestros cilindros de cierre son exclusivamente productos nuevos, que se pueden pedir en cualquier cantidad. También puede pedir mas adelante nuestros cilindros de cierre varios cilindros de cierre que necesite. Puede ordenar, por ejemplo, un cilindro de cierre de un solo de cierre, que se combine después con otro cilindro de la cierre de la misma serie de cilindros, por lo que a continuación, con sólo un conjunto de llaves pude abrir y cerra (cerradura igual). Esto se puede añadir con el doble cilindro cierre, medio cilindros y cilindros de empunadura, de la misma serie. Asegúrese cuando haga su pedido de que el cilindro o de la cerradura no son puestos restos o insolvencia.
También puede volver a pedirnos los cilindros de cierre solicitados.
Su cilindros-cerradura-team
Información sobre la seguridad del producto – Haga clic aquà para más información
Añadimos este artículo a nuestro catálogo el 13.06.2022.